
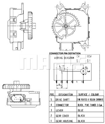
| Tryb pracy | elektryczny |
| Ilość połączeń | 5 |
| Wyposażenie pojazdu | dla pojazdów z klimatyzacją |
| Pojazd z kierownicą po lewej /prawej stronie | dla pojazdów z kierownicą po prawej stronie |
| nr EAN | 4057635013680 |
Dodatkowe informacje o produkcie Sterowanie, klapki mieszające, BEHR *** PREMIUM LINE *** AA 14 000P MAHLE
OCTAVIA I Combi, FABIA I, FABIA I Combi, SUPERB I, FABIA I Praktik, OCTAVIA II, OCTAVIA II Combi
GOLF IV Variant, GOLF IV Cabriolet, LUPO I, BORA I, BORA Variant, POLO, PASSAT B5.5
TOLEDO II, LEON, IBIZA III, CORDOBA, ALTEA, TOLEDO III, ALTEA XL
| AUDI | 6Q2819453A | |
| VAG | 6Q2819453A | |
| SVW | 6Q2819453A |
Zastosowanie Sterowanie, klapki mieszające, BEHR *** PREMIUM LINE *** AA 14 000P MAHLE w samochodach: